Epoxy Anchor HM-500

We cooperate with some of the best universities and laboratories in China as well as in the world to keep improving our epoxy anchor formula and quality. For example, Tsinghua University(China), Fudan University(China), Syracuse University(USA) and Fribourg University(Switzerland), etc.

2018-10-15 16:53:34

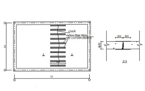
Carbon fiber fabric and aramid fiber cloth

Carbon fiber fabric and aramid fiber cloth are two indispensable reinforcing materials in reinforcing ring. For those who have just entered the reinforcing ring, there is no difference between carbon fiber cloth and aramid fiber cloth. They all increase the bearing capacity of the plate or beam, increase the tensile capacity of the beam and plate, reinforce the normal section of the column or increase the ring binding force.

2020-04-03 11:05:30

Adhesive for applying CFRP fabric

At both ends of the joint and the carbon fiber reinforced fabric, the thickness of carbon fiber glue can be naturally accumulated to form a structural anchorage to prevent the carbon fiber fabric from warping and peeling

2020-04-03 11:06:57

Leading manufactuere of carbon fiber fabric in China

Horse Constcution is the leading manufacturer of carbon fiber fabric in China, the carbon fiber fabric is used for structural strengthening and concrete repair. About 3000000000000m Horse Construction carbon fiber fabric used in Civil Engineering.

2020-04-03 11:08:18

Active reinforcement-Prestressed FRP laminate

The appearance of prestressed FRP laminate makes the structure reinforcement change from passive reinforcement with lagging force to active reinforcement. With the expansion of the application of prestressed FRP laminate, more and more projects have been affirmed.

2020-04-03 11:11:28

CFRP reinforced concrete structures

Carbon fiber reinforced polymer ( CFRP) sheets reinforcement is a new type of method of structural reinforcement,which be- longs to the method of FRP composite strengthening system. In recent years, CFRP with light weight,high strength and anti - corrosion had been widely used in strengthening the reinforced concrete structure

2020-04-03 11:12:10

What is carbon fiber ? and carbon fiber's application?

Carbon fiber materials have been widely applied in various fields of military and civil industry. From aerospace, aviation, automobile, electronics, machinery, chemical, textile and other civil industries to sports equipment and leisure goods.

2020-04-03 11:00:32

FRP composite strengthening the steel structures

The strength of the FRP composite is high. In order to achieve the same reinforcement effect, the size of the FRP composite material is obviously smaller than the size of the steel plate. After FRP reinforcement, the dead weight of the original structure and the size of the original component are basically not increased.

2020-04-02 16:42:35

Carbon fiber fabric reinforced concrete column

CFRP fabric reinforcement of reinforced concrete columns can change the axial stress state of concrete into three-dimensional stress state, and improve the bearing capacity and deformation capacity of confined concrete

2018-08-29 16:46:41

Structural steel plate adhesive should be strictly tested

To the design of structural steel plate bonding adhesive use fixed number of year for 50 years, should pass the wet and heating ageing resistance and long-term stress resistance ability test.

2020-04-02 16:47:39
Back
Top
Close